过滤器用污染物堵塞发讯器
发布日期:[2018-01-18] 点击率:| |
![]() |
|
过滤器用污染物堵塞发讯器 PDF资料下载 查看大图及参数说明
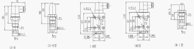
(一)CS,CMS和CM型压差式
产品介绍
CS型压差发讯器主要用于管路过滤器。当液压系统工作时,过滤器中的滤芯因拦截系统中的污染物而逐渐堵塞,进出油口的
压力产生压差(即滤芯压力损失)。当压差值增大至发讯器调定值时,发讯器自动发出信号,指示系统操作人员应清洗或更换滤
芯,确保系统安全运行。
1.CS型、CS-Ⅳ型发讯器以开关形式对滤油器的堵塞报警,或以开关形式切断与液压系统相关的控制电路,从而保护系统的
安全。
CS-Ⅲ型压差发讯器的连接螺纹为M22×1.5.
CM型压差发讯器的连接尺寸与CS-Ⅱ及CS-Ⅴ型相同,可用于国产Zu型和XU型过滤器。
CMS型压差发讯器适用场合与CM型类似,并带有目测指示,CMS-A同CMS型,但无目测指示。
2.CM-Ⅰ型为目示式压差发讯器,发讯器上端的红色指示按钮突出表示发讯器动作并已报警,当清洗或更换滤芯后应

(二)CY,YM和CYB型压力式发讯器
产品介绍
CY-Ⅰ,CY-Ⅱ和CYB型压力式发讯器主要为回油过滤器配套,同时适用于液压系统和稀油润滑系统正常供油的压力监控。
1.CY型压力式发讯器一般安装在回油过滤路的进油腔。当液压系统工作时,油液中的污染物在回油循环中不断被滤芯拦截,使
回油过滤器中的进油口和逐渐增大,当压力增大到发讯器的调定值时,发讯器动作。并以开关形式接通指示灯或蜂鸣器报警。指示
人们应及时清洗或更换滤芯以开关形式切断与液压系统相关的控制电路,以确保液压系统正常运行。发讯器与过滤器的连接螺纹为
M18×1.5。
2.YM-Ⅰ型为目示式压力发讯器,当发讯器上端的指示芯棒伸出红圈时表示报警,清洗或更换滤芯后指示芯棒自动复位,发讯

(三)ZS和ZKF-Ⅱ型真空压力发讯器
产品介绍
ZS-Ⅰ型真空压力式发讯器为吸油过滤器配套用来保护油泵。在液压系统工作时,吸油过滤器由于污染物填塞使油泵产生真空,当真空度达到发讯器调定值时,发讯器运作并以开关形式接通指示灯或蜂鸣器报警,指示操作人员及时清洗或更换滤芯,或在报警时切断液压系统的控制电路,确保油泵工作安全:发讯器与过滤器的连接螺纹为M18×1.5.
ZKF-Ⅱ型压力表式发讯器可以直接显示真空值,当真空值达到0.018MPa时,也可以开关形式接通指示灯或蜂鸣器报警。
注:ZKF-Ⅱ不能与计算机配套使用。

发讯器原理图

压差式发讯器接线说明

产品订货说明

注:CYB-Ⅰ型与ZKF-Ⅱ型,只适用于DC 24V,2A,不能与计算机配套使用。
例:CS-Ⅲ-0.35 ZS-Ⅰ 0.018
发讯器主要技术参数
| 型号 | 工作压力(Mpa) | 发讯值(Mpa) | 工作温度(℃) | 发讯器功率 |
| CM-Ⅰ CS-Ⅲ CS-Ⅳ CM CMS CMS-A | 32 | 0.1+0.05 0.2+0.05 0.35+0.05 0.45+0.05 0.6+0.05 0.8+0.05 1+0.05 | -20~+80 | |
| ≤220V 0.25A | ||||
| CY-Ⅰ CY-Ⅱ YM-Ⅰ | 1.6 | |||
| CYB-Ⅰ | 0.35+0.05 | DC 24V 2A | ||
| ZS-Ⅰ ZKF-Ⅱ | -0.9 | -0.01~0.018 | ≤220V | |
| -0.018 | DC 24V 2A |